மனிதர்களின் முகத்தில் வாழ்ந்து.. இரவு நேரத்தில் "கலவி" செய்யும் பூச்சிகள்.. ஆய்வில் ஷாக்கிங் தகவல்
லண்டன்: மனிதர்களின் முகத்தில் ஆயிரக்கணக்கான பூச்சிகள் வாழ்ந்து வருவதும், அவை இரவு நேரத்தில் நம் முகத்திலேயே இனப்பெருக்கம் செய்வதும் ஓர் ஆய்வின் மூலம் தெரியவந்துள்ளது.
இந்த பூச்சிகள் பல லட்சம் கோடி ஆண்டுகளாக மனிதர்களின் முகத்தில்தான் வாழ்க்கையை நடத்தி வந்திருக்கிறது. ஆனால் இப்போதுதான் அவை கண்டறியப்பட்டிருக்கின்றன.
இருந்தபோதிலும், இந்த பூச்சிகள் தற்போது அழிவின் விளிம்பில் இருப்பதாகவும், இன்னும் கிட்டத்தட்ட 300 ஆண்டுகளில் இந்த பூச்சியினம் முழுவதுமாக அழிந்துவிடும் எனவும் பிரிட்டன் விஞ்ஞானிகள் கண்டுபிடித்துள்ளனர்.

நுண்ணுயிரிகளின் உலகம்
இந்த உலகமே மனிதர்களுக்கானது என்றே நாம் நினைத்துக் கொண்டிருக்கிறோம். ஆனால், இது நுண்ணுயிரிகள் ஆட்சி செய்யும் உலகம் என்பதுதான் அறிவியல் ரீதியிலான உண்மை. பல லட்சம் கோடி நுண்ணுயிரிகள் மத்தியில்தான் மனிதர்களும், மிருகங்களும் வாழ்ந்து கொண்டிருக்கிறோம். வைரஸ், பாக்டீரியா முதல் கண்ணுக்கு தெரியாத பூச்சிகளும் நம்மை சூழ்ந்துள்ளன. ஒரு மைக்ரோஸ்கோப்பை எடுத்து நம் உள்ளங்கையில் பார்த்தாலே நூற்றுக்கணக்கான பாக்டீரியாக்கள் கையில் ஓடிக்கொண்டிருப்பதை நம்மால் பார்க்க முடியும். இவ்வளவு ஏன்.. கண்ணுக்கு தெரியாத வைரஸ்கள் தானே மனிதக்குலத்தை தற்போது வேட்டையாடி வருகின்றன.

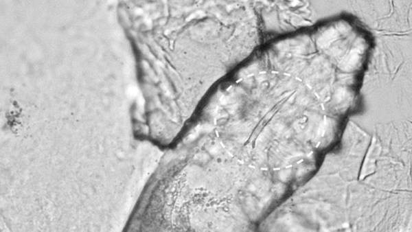
முகத்தில் வாழும் பூச்சிகள்
இந்நிலையில், மனிதர்களின் முகத்தில் 'மைட்ஸ்' ஒரு சிறிய அளவிலான பூச்சிகள் ஆயிரக்கணக்கில் வாழ்ந்து வருவதை பிரிட்டனின் வேல்ஸ் பகுதியில் உள்ள பேங்கார் பல்கலைக்கழக விஞ்ஞானிகள் சமீபத்தில்தான் கண்டுபிடித்திருக்கின்றனர். உலகில் உள்ள மனிதர்களில் 90 சதவீதம் பேரின் முகத்தில் இந்த பூச்சிகள் வாழ்கின்றன. நமது மூக்கின் விளிம்பு, நெற்றி, காது ஆகிய பகுதிகளில்தான் இவை அதிக அளவில் காணப்படுகின்றன. இதன் அளவு 0.3 மி.மீ என்பதால் வெறும் கண்களை கொண்டு பார்த்தால் தெரியாது. ஒரு மனிதனின் முகத்தில் சுமார் 20 ஆயிரத்துக்கும் மேற்பட்ட பூச்சிகள் வாழ்கின்றன.

இரவில் முகத்திலேயே இனப்பெருக்கம்
முகத்தில் வாழ்கிறது என்றால் சோப்பு போட்டு கழுவினாலே போய்விடுமே என்றுதானே கேட்கிறீர்கள். அதுதான் இல்லை. ஏனென்றால், முகத்தின் மேற்பரப்பில் இந்த பூச்சிகள் வாழ்வதில்லை. முகத்தின் தோலுக்கு அடியில்தான் இவை வசிக்கின்றன. எனவே, நாம் வாழும் வரை இந்த பூச்சிகளும் நம் முகத்தில் வாழ்ந்து கொண்டுதான் இருக்கும். மேலும், இரவு நேரங்களில் இந்த பூச்சிகள் முகத்தின் துவாரம் வழியாக மேற்பரப்புக்கு வந்து இனப்பெருக்கம் செய்யும். பின்னர், முட்டைகளை தோலுக்கு அடியில் கொண்டு சென்று, மீண்டும் அதில் இருந்து புதிய பூச்சிகள் உருவாகின்றன. ஆனால், இந்த பூச்சிகளால் நமக்கு எந்த ஆபத்தும் ஏற்படுவதில்லை.

அழிவின் விளிம்பில்..
இந்நிலையில், இந்த பூச்சிகளை விஞ்ஞானிகள் மரபணு ஆய்வுக்கு உட்படுத்திய போது, அவை அழிவின் விளிம்பில் இருப்பது தெரியவந்திருக்கிறது. இதுகுறித்து பேங்கார் பல்கலைக்கழக பேராசிரியர் ஹென்க் ப்ரெய்க் கூறுகையில், "புறஊதா கதிர்களில் இருந்து தற்காத்துக் கொள்ளும் தகவமைப்பை இந்த பூச்சிகள் இழந்து வருகின்றன. இது ஒரு டிஎன்ஏ குறைபாடு. எனவே, இன்னும் 200 ஆண்டுகளில் இந்த பூச்சி இனம் முற்றிலுமாக அழிந்துவிடும். புற ஊதா கதிர்களால் ஆபத்து என்பதால்தான் அவை இரவில் இயங்குகின்றன" என்றார்.
-
டெல்லி தந்த கிரீன் சிக்னல்.. 4 வழியாக மாறும் தமிழ்நாட்டின் மூன்று முக்கிய சாலைகள்.. மெகா பிளான்! -
அதிமுக கூட்டணியில் பாமகவுக்கு 18, அமமுகவுக்கு 11 தொகுதிகள் ஒதுக்கீடு! -
PHH, AAY ரேஷன் கார்டுதாரர்களுக்கு முக்கிய அறிவிப்பு! கார்டு காலி ஆயிடும்..ரேகை வைக்கலைனா ப்ளாக் தான் -
நாகர்கோவில் எம்எல்ஏ காந்திக்கு கல்தா.. பாஜக தலைமை முடிவால் கலக்கம் -
பெட்ரோல் இல்லை.. ஆசிய நாடுகளுக்கு ‘நோ’ சொன்ன அராம்கோ? உலக அரசியலே தடம் புரள போகுது? -
பாரதத்தின் நிரந்தர பிரதமர்.. வட இந்தியாவில் திமுக சிலிண்டர் விளம்பரம் ஹிட்.. தர்ம சங்கடத்தில் பாஜக -
தங்கக் காசு மூலம் டிரம்ப் வேலையை காட்டிட்டாரு! அமெரிக்காவில் தங்க நாணயம் தந்த அதிர்ச்சி -
10 பைசா கூட வராது.. தங்கத்தை மொத்தமாக விற்கும் முதலீட்டாளர்கள்.. நெருங்கி வரும் பேரழிவு? -
தேமுதிகவுக்கு எத்தனை தொகுதிகள்? எங்கெங்கு போட்டியிடுகிறார்கள்? உத்தேச பட்டியல் இதுதானா? -
பாஜகவுக்கு 27 சீட்.. என்.டி.ஏ கூட்டணியில் தொகுதி பங்கீட்டை இறுதி செய்து அறிவித்தார் எடப்பாடி! -
பவரை காட்டுவோம்! மொத்த உலக நாடுகளையும் பீதியில் ஆழ்த்திய டிரம்ப் சொன்ன வார்த்தை! பெருசா நடக்க போகுது -
சர்ருன்னு ஏறிய பாஜக சீட் கணக்கு.. கடந்த தேர்தல்களில் பாஜக போட்டியிட்ட தொகுதிகள் எத்தனை?












Click it and Unblock the Notifications